Jauch晶振,貼片晶振,JXG75P2晶振,進口諧振器,JAUCH集團是石英晶體、晶體振蕩器和電池技術的主要專家之一。公司成立于1954年,現在是頻率控制產品行業的龍頭企業之一,最近還擁有創新的MEMS計時時鐘。我們是未來鋰離子和鋰聚合物電池市場的專家。我們已投資于位于villingen - schwenningen總部的生產設施,以及時滿足世界各地的客戶需求:MEMS振蕩器在我們自己的生產設施中配置并交付,關注時效性。
JAUCH晶振公司嚴格遵守國家有關工程建設法律、法規,不斷提高員工的質量意識和能力,履行合約、信守承諾,堅持開拓創新,不斷提升企業的施工技術素質和質量管理水平,以科學學嚴密的貼片石英晶振施工管理和真誠的服務讓業主高度滿意。 AUCH晶振勞工職業安全衛生議題近年成為世界各國及企業關注焦如何做到‘降低職業災害發生、確保工作場所安全、實施員工健康管理’一直是JAUCH晶體努力的方向.
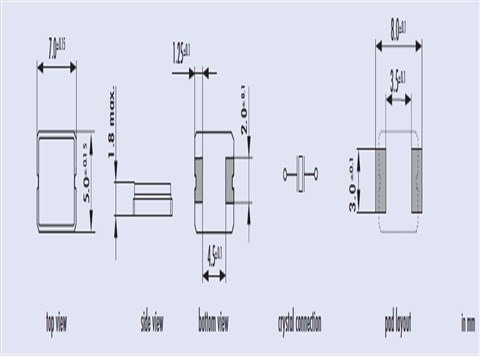
普通石英晶振,外觀完全使用金屬材料封裝的,產品本身采用全自動石英晶體檢測儀,以及跌落,漏氣等苛刻實驗.產品本身具有高穩定性,高可靠性的石英晶體諧振器,焊接方面支持表面貼裝,外觀采用金屬封裝,具有充分的密封性能,晶振本身能確保其高可靠性,采用編帶包裝,可對應產品應用到自動貼片機告訴安裝,滿足無鉛焊接的高溫回流溫度曲線要求.Jauch晶振,貼片晶振,JXG75P2晶振,進口諧振器
貼片晶振晶片邊緣處理技術:SMD晶振是晶片通過滾筒倒邊,主要是為了去除石英晶振晶片的邊緣效應,在實際操作中機器運動方式設計、滾筒的曲率半徑、滾筒的長短、使用的研磨砂的型號、多少、填充物種類及多少等各項設計必須合理,有一項不完善都會使晶振晶片的邊緣效應不能去除,而石英晶振晶片的諧振電阻過大,用在電路中Q值過小,從而電路不能振動或振動了不穩定。
|
Jauch晶振規格 |
單位 |
JXG75P2晶振 |
石英晶振基本條件 |
|
標準頻率 |
f_nom |
5~70MHZ |
標準頻率 |
|
儲存溫度 |
T_stg |
-40°C~+125°C |
裸存 |
|
工作溫度 |
T_use |
-20°C~+85°C |
標準溫度 |
|
激勵功率 |
DL |
100μW Max. |
推薦:10μW |
|
頻率公差 |
f_— l |
±30,50× 10-6(標準), |
+25°C對于超出標準的規格說明, |
|
頻率溫度特征 |
f_tem |
-0.034,-0.04× 10-6/-40°C~+125°C |
超出標準的規格請聯系我們. |
|
負載電容 |
CL |
12PF |
不同負載電容要求,請聯系我們. |
|
串聯電阻(ESR) |
R1 |
如下表所示 |
-40°C —+85°C,DL = 100μW |
|
頻率老化 |
f_age |
±3× 10-6/ year Max. |
+25°C,第一年 |
超聲波清洗:(1)使用AT-切割晶體和表面面濾波器波(SAW)/貼片晶體諧振器的產品,可以通過超聲波進行清洗。但是,在某些條件下, 晶振特性可能會受到影響,而且內部線路可能受到損壞。確保已事先檢查系統的適用性。(2)使用音叉晶體和陀螺儀傳感器的產品無法確保能夠通過超聲波方法進行清洗,因為晶振可能受到破壞。(3)請勿清洗開啟式晶振產品(4)對于可清洗晶振產品,應避免使用可能對產品產生負面影響的清洗劑或溶劑等。(5)焊料助焊劑的殘留會吸收水分并凝固。這會引起諸如位移等其它現象。這將會負面影響產品的可靠性和質量。請清理殘余的助焊劑并烘干PCB。Jauch晶振,貼片晶振,JXG75P2晶振,進口諧振器
所有石英晶體振蕩器和實時時鐘模塊都以IC形式提供。噪音:在電源或輸入端上施加執行級別(過高)的不相干(外部的)噪音,可能導致會引發功能失常或擊穿的閉門或雜散現象。電源線路:電源的線路阻抗應盡可能低。輸出負載:建議將2腳貼片MHZ晶振輸出負載安裝在盡可能靠近振蕩器的地方(在20 mm范圍之間)。未用輸入終端的處理:未用針腳可能會引起噪聲響應,從而導致非正常工作。
同時,當P通道和N通道都處于打開時,電源功率消耗也會增加;因此,請將未用輸入終端連接到VCC 或GND。熱影響:重復的溫度巨大變化可能會降低受損害的大體積兩腳7050晶振產品特性,并導致塑料封裝里的線路擊穿。必須避免這種情況。安裝方向:振蕩器的不正確安裝會導致故障以及崩潰,因此安裝時,請檢查安裝方向是否正確。通電:不建議從中間電位和/或極快速通電,否則會導致無法產生振蕩和/或非正常工作。





愛普生晶振,貼片晶振,VG-4232CA晶振
愛普生晶振,貼片晶振,VG-4501CA晶振
ECScrysta晶振,貼片晶振,CSM-8M晶振,石英進口晶振
ECScrysta晶振,貼片晶振,CSM-8Q晶振,石英無源晶振
Golledge晶振,貼片晶振,CC2A晶振,石英貼片晶振
Jauch晶振,貼片晶振,JXG75P4晶振,進口石英晶體
KDS晶振,貼片晶振,DSX221SH晶振,貼片進口晶振
MERCURY晶振,有源晶振,HK57晶振
CMOS/CSX-750FJC50000000T/OSC XO/50MHz/±100ppm/7050mm
M911201NI2-20M48000,7050mm,20MHz,Microchip高性能MEMS振蕩器