86-0755-27838351

頻率:1-60MHZ
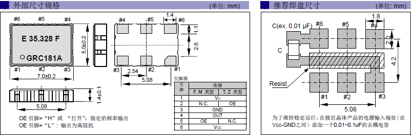
尺寸:7.0*5.0mm
EPSON晶振,貼片晶振,VG-4232CA晶振,普通貼片石英晶振外觀使用金屬材料封裝的,具有高穩定性,高可靠性的石英晶體諧振器,晶振外觀本身使用金屬封裝,充分的密封性能,可確保其高可靠性,采用編帶包裝,外包裝采用朔膠盤,可在自動貼片機上對應自動貼裝等優勢.
石英晶振晶片邊緣處理技術:貼片晶振是晶片通過滾筒倒邊,主要是為了去除石英晶振晶片的邊緣效應,在實際操作中機器運動方式設計、滾筒的曲率半徑、滾筒的長短、使用的研磨砂的型號、多少、填充物種類及多少等各項設計必須合理,有一項不完善都會使晶振晶片的邊緣效應不能去除,而石英晶振晶片的諧振電阻過大,用在電路中Q值過小,從而電路不能振動或振動了不穩定。
|
項目 |
符號 |
規格說明 |
條件 |
|
輸出頻率范圍 |
f0 |
1-60MHZ |
請聯系我們以便獲取其它可用頻率的相關信息 |
|
電源電壓 |
VCC |
1.60 V to 3.63 V |
請聯系我們以了解更多相關信息 |
|
儲存溫度 |
T_stg |
-55℃ to +125℃ |
裸存 |
|
工作溫度 |
T_use |
G: -40℃ to +85℃ |
請聯系我們查看更多資料http://m.yaohuifushi.cn |
|
H: -40℃ to +105℃ |
|||
|
J: -40℃ to +125℃ |
|||
|
頻率穩定度 |
f_tol |
J: ±50 × 10-6 |
|
|
L: ±100 × 10-6 |
|||
|
T: ±150 × 10-6 |
|||
|
功耗 |
ICC |
3.5 mA Max. |
無負載條件、最大工作頻率 |
|
待機電流 |
I_std |
3.3μA Max. |
ST=GND |
|
占空比 |
SYM |
45 % to 55 % |
50 % VCC 極, L_CMOS≦15 pF |
|
輸出電壓 |
VOH |
VCC-0.4V Min. |
|
|
VOL |
0.4 V Max. |
|
|
|
輸出負載條件 |
L_CMOS |
15 pF Max. |
|
|
輸入電壓 |
VIH |
80% VCC Max. |
ST 終端 |
|
VIL |
20 % VCC Max. |
||
|
上升/下降時間 |
tr / tf |
4 ns Max. |
20 % VCC to 80 % VCC 極, L_CMOS=15 pF |
|
振蕩啟動時間 |
t_str |
3 ms Max. |
t=0 at 90 % |
|
頻率老化 |
f_aging |
±3 × 10-6 / year Max. |
+25 ℃, 初年度,第一年 |
我們可以改善的頻率輸出的偏差超過范圍由以下幾個方法:
調整外部電容,Cd和CG的值。
如果由頻率計數器測量頻率比目標頻率高,要增加精工晶振外部電容CL(或Cd以及C 8的值),以降低頻率到我們的目標頻率,反之亦然。
可以采用不同負載電容(CL)的晶振試用。
試用晶振具有較低電容若頻率比目標頻率超高很多的話。
請檢查波形幅度是否是正常或不使用示波器,正確的電容是通過亞陶晶振和頻率調節到目標之后。根據該波形振幅收縮,由于增加外部電容,請使用方法2調整頻率(較低的外部電容,并采用低電容的晶體)的情況。
頻率輸出頻率的目標只有三分之一。
下面的曲線表示晶體的電阻的特征:
晶振具有多種振動模式,如基頻, 3次泛音,5次泛音等等。當基頻模式應用時,晶振的電阻是最低的,這意味著它是最簡單的石英晶體振蕩器。當第三色調模式被應用,一個放大電路必須被利用以降低基本模式的頻率反饋到所述延伸小于所述第三音調模式。因此,如果頻率是只有三分之一的目標頻率時,要檢查是否放大處理電路被施加或它的設定值就足夠了,因為電路的環境適合于基本模式,而不是第三次泛音調模式。
該電路可能不振蕩,如果放大電路不施加或它的設定值是不足夠的。
愛普生晶振,貼片晶振,VG-4232CA晶振



電話:+86-0755-278383514
手機:138-2330-0879
QQ:632862232
地址:廣東深圳市寶安寶安大道東95號浙商銀行大廈1905