86-0755-27838351

頻率:14.400MHZ~32.768MHZ
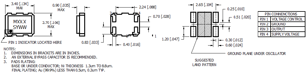
尺寸:3.2*2.5mm
MMDCOMP晶振,MTSS晶振,MTSS310AV-24.000MHZ-T晶振
MMD Monitor / Quartztek成立于1994年,是一家全面服務的頻率控制設備制造商。時值今日已經是頻率控制元器件行業里比較有名的一家制造商,MMDCOMP晶振這個品牌被60多個國家的生產廠家們認識,海內外擁有多家分銷商和代理商,主要生產水晶振動子,XO振蕩器,壓控晶體振蕩器,溫補晶體振蕩器,恒溫晶體振蕩器,有源晶振,石英晶體振蕩器,MEMS可編程振蕩器等頻率元件類型。于軍工級,商業級,民用級產業都有合作,產品具有多用途性,高穩定性,高品質,低功耗,耐惡劣環境等優勢。
MMD已經發展成為一家服務型技術公司,由知識豐富的管理團隊和致力于完成客戶滿意度的專職人員推動。總部位于內華達州的里諾和南加州的偏遠地區。MMD Monitor / Quartztek在頻率控制行業的大批量,低成本領域迅速建立了良好的服務聲譽。2002年,MMD收購Monitor Products和Quartztek,鞏固了其在高穩定性,高性能振蕩器領域以及軍事市場的地位。Monitor Products一直是頻率控制市場高穩定性領域的QPL認證技術領導者,生產定制TCXO溫補晶振和高精度石英晶振。
Monitor Products也符合MIL-PRF-55310(QPL)的要求。Monitor Products在行業中的專業技術可追溯到75年。
MMD Monitor / Quartztek提供完整的研究和開發能力,最先進的測試設備,快速制造和全面倉儲(包括保稅庫存設施)。
MMD Monitor / Quartztek的離岸ISO9000制造業務分享制造專業知識,先進技術,資本投資以及合同生產獲得的總體成本效益。這樣的系統使MMD能夠快速作出反應,并在面臨低或高批量需求的短交貨時間時提供最具競爭力的價格。MMD繼續提供無與倫比的質量控制,準時交貨和一流的客戶服務。事實上,公司能力出眾的員工是其重復業務和穩定增長的主要原因。
MMD Monitor / Quartztek不斷將其利潤重新投入公司,并繼續追求選定的戰略投資,以保持技術前沿,促進未來發展。該公司通過提供高質量的產品,具有競爭力的價格,及時交付,可靠的工程支持和無與倫比的靈活性贏得了與客戶的密切長期合作關系。
MMD的產品因其卓越的品質和競爭力的價格而聞名世界。MMD希望贏得您的業務,成為您首選的頻率控制設備供應商。
MMD監視器/ Quartztek,貼片晶振,晶體振蕩器的完整源代碼。
MMDCOMP晶振,MTSS晶振,MTSS310AV-24.000MHZ-T晶振
熱影響
重復的溫度巨大變化可能會降低受損害的石英晶振產品特性,并導致塑料封裝里的線路擊穿.必須避免這種情況.
安裝方向
晶體振蕩器的不正確安裝會導致故障以及崩潰,因此安裝時,請檢查安裝方向是否正確.
通電
不建議從中間電位和/或極快速通電,否則會導致無法產生振蕩和/或非正常工作.
有源晶振的負載電容與阻抗
負載電容與阻抗有源晶振設置一個規定的負載阻抗值.當一個值除了規定的一個設置為負載阻抗輸出頻率和輸出電平不會滿足時,指定的值這可能會導致問題例如:失真的輸出波形.特別是設置電抗,根據規范的負載阻抗.輸出頻率和輸出電平,當測量輸出頻率或輸出水平,晶體振蕩器調整的輸入阻抗,測量儀器的負載阻抗晶體振蕩器.當輸入阻抗的測量儀器,不同的負載阻抗的晶體振蕩器,測量輸出頻率或輸出水平高,阻抗阻抗測量可以忽略.
抗沖擊
抗沖擊是指晶振產品可能會在某些條件下受到損壞.例如從桌上跌落,摔打,高空拋壓或在貼裝過程中受到沖擊.如果產品已受過沖擊請勿使用.因為無論何種石英晶振,其內部晶片都是石英晶振制作而成的,高空跌落摔打都會給晶振照成不良影響.
耐焊性:
將晶振加熱包裝材料至+150℃以上會破壞產品特性或損害產品.如需在+150℃以上焊接石英晶振,建議使用有源SMD晶振產品.在下列回流條件下,對石英耐高溫晶振產品甚至晶振使用更高溫度,會破壞晶振特性.建議使用下列配置情況的回流條件.安裝這些貼片晶振之前,應檢查焊接溫度和時間.同時,在安裝條件更改的情況下,請再次進行檢查.如果需要焊接的晶振產品在下列配置條件下進行焊接,請聯系我們以獲取耐熱的相關信息.
電話:+86-0755-278383514
手機:138-2330-0879
QQ:632862232
地址:廣東深圳市寶安寶安大道東95號浙商銀行大廈1905