86-0755-27838351

頻率:1.250MHZ~40.000MHZ
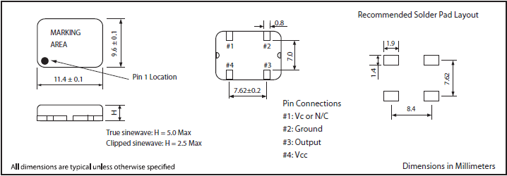
尺寸:11.4*9.6mm
MTI-Milliren晶振,403晶振,汽車電子晶振
貼片石英晶體,小體積薄型晶振,焊接可采用自動貼片系統,產品本身小型,表面貼片晶振,特別適用于有小型化要求的電子數碼產品市場領域,因產品小型,薄型優勢,耐環境特性,包括耐高溫,耐沖擊性等,在移動通信振蕩器領域得到了廣泛的應用,晶振產品本身可發揮優良的電氣特性,滿足無鉛焊接的高溫回流溫度曲線要求.
公司使命:
“MTI的使命是通過創新設計,領先的制造技術和提供世界一流的客戶服務,重新定義頻率控制產品的市場。我們相信與客戶,供應商和員工的合作將帶來最高可靠性和高質量的產品。”
MIT-Milliren Crystal中文名稱米利倫晶振,是商用和軍用頻率元件的領先制造商,主要生產石英晶振,貼片晶振,石英晶體諧振器,溫補晶振,壓控晶振,石英晶體振蕩器,高精度石英晶振產品等,每個產品都根據客戶的確切設計參數精確定義。每臺設備都保證是高質量,精確和穩定的頻率控制產品,可以讓您將系統提升到更高的性能水平。
隨著從便攜式電池供電的蜂窩系統到衛星導航和全球電信網絡的應用,MTI產品已被全球數千個程序所接受。我們致力于持續的研究和開發計劃,重點關注產品創新和增強的制造流程。
“MTI差異”正在演變成我們獨特的個人商業模式。MTI的使命是為客戶提供無故障,無風險的產品,這些產品源自在基于團隊的問題解決氛圍中專業運營的業務關系。
我們邀請您體驗“MTI差異”。聯系我們團隊的任何成員討論您的申請,并允許我們邀請您訪問位于馬薩諸塞州歷史悠久的Newburyport鎮波士頓以北約30英里的現代化制造工廠。
MTI將專有技術與大批量生產相結合,使您的石英晶體振蕩器精確地滿足您的設計參數。有源晶振,無源晶振,壓控晶振,溫補晶振,貼片晶振,無論您的要求是什么,例如滿足熱穩定性,相位噪聲性能或獨特的頻率,我們都能滿足您的需求。通過購買MTI的振蕩器,您將獲得高質量,精確且穩定的頻率控制產品,使您可以將系統推向下一級別的性能。
我們與客戶密切合作,從設計實現,原型設計到全面生產。在產品設計過程中使用先進的建模,仿真和分析技術,并在生產中進行嚴格的驗證測試,確保我們的產品完全滿足您的應用需求。MTI以兩年質保為后盾,提供卓越的產品質量!
| Frequency Range : | 1.25 MHz to 40 MHz |
| Supply Voltage (Vcc) : | 5 V ± 5%; 3.3 V ±5%; |
| Input Current : | 30 mA maximum (HCMOS) ; 2.0 mA maximum (Sinewave) |
| Frequency Stability vs. Temperature : | ±2.5 ppm maximum / -30°C to 80°C |
| Temperature Range : | 0° C to 70° C; -40° C to 85° C; 0° C to 50° C; -30° C to 75° C |
| Frequency vs. Voltage ±: | 0.3 ppm Maximum / Vcc ± 5% |
| Frequency vs. Load : | ±0.3 ppm Maximum / 10 kOhms/ 10 pF ± 10% |
| Aging : | ±1.0 ppm maximum per year at 25°C |
| Phase Noise : | -140 dBc/Hz at 10 kHz |
MTI-Milliren晶振,403晶振,汽車電子晶振
熱影響
重復的溫度巨大變化可能會降低受損害的石英晶振產品特性,并導致塑料封裝里的線路擊穿.必須避免這種情況.
安裝方向
晶體振蕩器的不正確安裝會導致故障以及崩潰,因此安裝時,請檢查安裝方向是否正確.
通電
不建議從中間電位和/或極快速通電,否則會導致無法產生振蕩和/或非正常工作.
有源晶振的負載電容與阻抗
負載電容與阻抗有源晶振設置一個規定的負載阻抗值.當一個值除了規定的一個設置為負載阻抗輸出頻率和輸出電平不會滿足時,指定的值這可能會導致問題例如:失真的輸出波形.特別是設置電抗,根據規范的負載阻抗.輸出頻率和輸出電平,當測量輸出頻率或輸出水平,晶體振蕩器調整的輸入阻抗,測量儀器的負載阻抗晶體振蕩器.當輸入阻抗的測量儀器,不同的負載阻抗的晶體振蕩器,測量輸出頻率或輸出水平高,阻抗阻抗測量可以忽略.
抗沖擊
抗沖擊是指晶振產品可能會在某些條件下受到損壞.例如從桌上跌落,摔打,高空拋壓或在貼裝過程中受到沖擊.如果產品已受過沖擊請勿使用.因為無論何種石英晶振,其內部晶片都是貼片晶振制作而成的,高空跌落摔打都會給晶振照成不良影響.
耐焊性:
將晶振加熱包裝材料至+150℃以上會破壞產品特性或損害產品.如需在+150℃以上焊接石英晶振,建議使用有源SMD晶振產品.在下列回流條件下,對石英耐高溫晶振產品甚至晶振使用更高溫度,會破壞晶振特性.建議使用下列配置情況的回流條件.安裝這些貼片晶振之前,應檢查焊接溫度和時間.同時,在安裝條件更改的情況下,請再次進行檢查.如果需要焊接的晶振產品在下列配置條件下進行焊接,請聯系我們以獲取耐熱的相關信息.
電話:+86-0755-278383514
手機:138-2330-0879
QQ:632862232
地址:廣東深圳市寶安寶安大道東95號浙商銀行大廈1905