86-0755-27838351

頻率:20Hz-2KHz
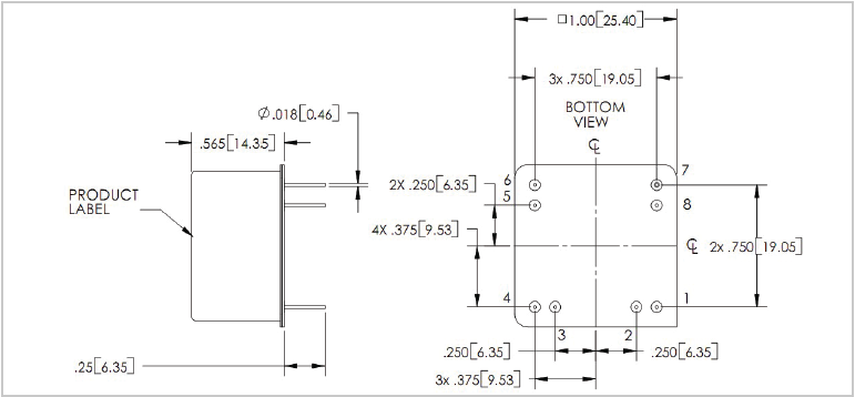
尺寸:25.4x25.4mm
MTI-milliren恒溫晶振,222系列軍事應用晶振,低相位噪聲晶振,加拿大進口晶振,MTI-milliren米利倫晶振,222系列晶振,小體積尺寸:25.4x25.4mm,正方形晶振,是一款恒溫晶體振蕩器,OCXO晶振,有源晶振,插件晶振,石英晶振,石英晶體振蕩器。222系列的主要焦點是那些需要顯著降低加速靈敏度,超過通過傳統解決方案可獲得的水平的應用程序。作為一種獨立的產品或與機械沖擊和振動系統相結合,222系列能夠將相位噪聲上的加速度效應降低到接近或低于噪聲的水平。進口晶振222系列是一個堅固的恒溫控制晶體振蕩器理想的要求軍事應用,如無人機,旋翼機,履帶車輛以及惡劣的工業環境。
MTI-milliren恒溫晶振,222系列軍事應用晶振,低相位噪聲晶振
222系列產品特點:
低G靈敏度<2.0E-10/軸
內部24位D/A轉換器,用于通過I2C進行調諧
工廠針對特定應用程序進行了優化
低靜態相位噪聲,石英晶體振蕩器
可選的內部ROM數據存儲
根據MIL-PRF-55310進行可選篩選
可選的沖擊和振動系統
應用于:無人駕駛飛機,艦載,履帶車輛,工業裝置,載人飛機,安全通信,雷達,移動設備,電信,旋翼飛機,戰術無線電,精確導航
MTI-milliren恒溫晶振,222系列軍事應用晶振,低相位噪聲晶振,尺寸圖
MTI-milliren恒溫晶振,222系列軍事應用晶振,低相位噪聲晶振
相位噪聲,在高頻通信、導航和雷達系統中,振動問題可能是一個信號問題,它會導致大規模的相位偏移和相位噪聲性能和短期穩定性的下降。e 222系列有源晶振設計用于高加速度和振動環境(高達20grms,20Hz-2 KHz),其特殊的g靈敏度和卓越的整體穩定性使其成為清理GPS時鐘、銫或銣頻率標準和光通信鏈路的理想選擇。e 222系列通過24位DAC實現高分辨率數字調諧接口,可在關鍵應用中進行精確控制。可選地,也可提供一種傳統的模擬調諧電壓輸入。MTI可以為您的規格應用和振動專業定制222系列振動器。



電話:+86-0755-278383514
手機:138-2330-0879
QQ:632862232
地址:廣東深圳市寶安寶安大道東95號浙商銀行大廈1905