DSC6332JI2AA-100.0000,2520mm,100MHz,Microchip振蕩器,美國進口晶振,Microchip晶振,型號:DSC63XX系列,編碼為:DSC6332JI2AA-100.0000,工作溫度范圍:-40℃至+85℃,頻率穩定性:±25ppm,頻率:100MHz,小體積晶振尺寸:2.5x2.0mm,四腳貼片晶振,超低功率MEMS振蕩器,有源晶振,石英晶振,超小型,輕薄型晶振,應用程序:平板顯示器/監視器,多功能打印機,數字標牌,消費類電子產品等應用。
DSC63xx系列器件是行業中最小和功率最低的擴頻MEMS振蕩器??商峁┧姆N不同的包裝尺寸,操作低至3mA,最小的4針包裝是只有1.6毫米x1.2毫米的尺寸。該設備支持高達±2.5%或-3%的擴頻譜,可實現高達15 dB的電磁干擾(EMI)減少。由于行業標準的包和pin選項,客戶可以通過把新的DSC63xx在他們當前的板布局,而不需要重新設計。
DSC6332JI2AA-100.0000,2520mm,100MHz,Microchip振蕩器,產品特點:
•輸出頻率:1MHz至100MHz LVCMOS
•擴頻選項:中心排列:±0.25%,±0.5%,±1.0%,±1.5%, ±2.0%, ±2.5%
-向下價差:0.5%、1.0%、1.5%、2.0%,2.5%,3.0%
•超低功耗:3mA(有功),12μA(備用)
•寬電源電壓范圍:1.71V~3.63V VDD有源晶體
•超小型包裝尺寸:1.6x1.2毫米,2.0x1.6毫米,2.5x2.0毫米,3.2x2.5毫米
•工業溫度范圍:-40°C至85°C
•卓越的沖擊和振動抗擾性
•高可靠性,無鉛且符合RoHS
DSC6332JI2AA-100.0000,2520mm,100MHz,Microchip振蕩器,參數表
Parameters
Sym.
Min.
Typ.
Max.
Units
Conditions
Supply Voltage, Note 1
VDD
1.71
3.63
V
Power Supply Ramp
tPU
0.1
100
ms
Note 8
Active Supply Current
IDD
—
3.0
—
mA
FOUT= 27 MHz, VDD= 1.8V,
No Load
Standby Supply Current
Note 2
ISTBY
—
12
—
µA
VDD= 1.8/2.5V
80
VDD= 3.3V
Frequency Stability Note 3
Δf
—
—
±25
±50
ppm
All temp ranges
Aging
Δf
±5
ppm
1st year @25°C
—
—
±1
Per year after first year
Startup Time
tSU
—
—
1.3
ms
From 90% VDDto valid clock
output, T = 25°C
Input Logic Levels Note 4
VIH
0.7 x VDD
V
Input Logic High
VIL
0.3 x VDD
V
Input Logic Low
Output Disable Time
Note 5
tDA
—
—
200+Period
ns
—
Output Enable Time
Note 6
tEN
—
—
1
µs
—
OE/STDBY/SSEN Pull-up
Resistor Note 7
—
—
300
—
k?
If configured
Output Logic Levels
VOH
0.8 x VDD
V
Output Logic High, I = 3 mA,
Std. Drive
Output Logic High, I = 6 mA,
High Drive
VOL
0.2 x VDD
V
Output Logic Low, I = –3 mA,
Std. Drive
Output Logic Low, I = –6 mA,
High Drive
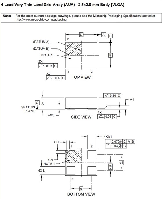
DSC6332JI2AA-100.0000,2520mm,100MHz,Microchip振蕩器,尺寸圖







TXC晶振,貼片晶振,7M晶振,7M-12.000MAHE-T晶振
愛普生晶振,貼片晶振,FA-238A晶振
SXT53410AB17-25.000M,SUNTSU無線應用晶振,5032mm無源晶振
E1SMA14-25.000M,Ecliptek日蝕晶振,25MHz,兩腳貼片晶振
EC2745ETTS-100.000M TR,Ecliptek時鐘振蕩器,7050mm無線晶振
EB1216JA10-24.000M TR,Ecliptek超小型晶振,1612mm,智能手機晶振
DSC1003DI2-024.5760T,Microchip振蕩器,2520mm,便捷式電子設備晶振
SI50122-A2-GM,Silicon差分晶振,2520mm,數字電視應用晶振
ARGO雅士博晶振,AGXO-S7050晶振,石英晶振,有源晶振