康華爾電子有限公司:晶振廠家企業在國內壓電石英晶振行業生產經營二十多年,早期產品基本用于出口,在 2006年轉向國內市場銷售,公司在05年自購土地新建工業園,全線投入貼片晶振自動化生產領域,公司主要生產:石英晶振,貼片晶振, 音叉晶體,32.768K晶振,聲表面諧振器,聲表面濾波器,陶瓷晶振,貼片晶振.
公司主要客戶群有國內多家智能品牌手機,衛星導航GPS, 電腦周邊等數碼產品。工廠年產貼片晶振、陶瓷晶振、陶瓷濾波器,聲表面濾波器系列產品、上億PCS、60%出口。公司同時從日本、韓國、美國、 引進現代化生產設備、機器人檢測設備、代替人工%60,全系列電腦全自動化檢測設備,生產全過程 在淨化環境下完成.
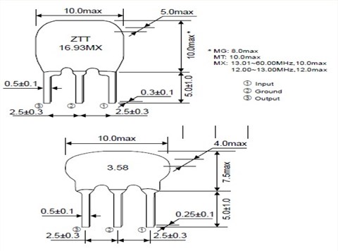
陶瓷晶振,ZTT陶瓷晶振,插件陶瓷晶振,插件三腳陶瓷晶振跟貼片的區別在于SMD是編帶方式包裝,焊接方面支持表面貼裝,可對應產品應用到自動貼片機高速安裝,是指晶振內部本身有自帶負載電容的陶瓷諧振器, “壓電陶瓷”, 與CR,LC電路不同,陶瓷振蕩子利用的是機械諧振而不是像壓電石英晶體一樣電諧振的方式起振.這意味著它基本上不受外部電路或電源電壓波動的影響.從而可以制作成無需調整的高度穩定的振蕩電路. 作為微處理器在電路中使時鐘振蕩器的匹配最適合的元件,并且得到了廣泛應用.ZTT三腳晶振產品系列可用于振蕩電路設計,無需外部負載電容器,既獲得了高密度安裝,又降低了成本.產品被廣泛應用到數碼電子產品,家用電器,無線發射器,調音線控等電子產品.
1:抗沖擊
抗沖擊是指晶振產品可能會在某些條件下受到損壞.例如從桌上跌落,摔打,高空拋壓或在貼裝過程中受到沖擊.如果產品已受過沖擊請勿使用.因為無論何種石英晶振,其內部晶片都是石英晶振制作而成的,高空跌落摔打都會給晶振照成不良影響.
2:輻射
將貼片晶振暴露于輻射環境會導致產品性能受到損害,因此應避免陽光長時間的照射.陶瓷晶振,ZTT陶瓷晶振,插件陶瓷晶振
3:化學制劑 / pH值環境
請勿在PH值范圍可能導致腐蝕或溶解石英晶振或包裝材料的環境下使用或儲藏這些產品.
4:粘合劑
請勿使用可能導致石英晶振所用的封裝材料,終端,組件,玻璃材料以及氣相沉積材料等受到腐蝕的膠粘劑.(比如,氯基膠粘劑可能腐蝕一個晶振的金屬“蓋”,從而破壞密封質量,降低性能.)
5:鹵化合物
請勿在鹵素氣體環境下使用晶振.即使少量的鹵素氣體,比如在空氣中的氯氣內或封裝所用金屬部件內,都可能產生腐蝕.同時,請勿使用任何會釋放出鹵素氣體的樹脂.
6:靜電
過高的靜電可能會損壞貼片晶振,請注意抗靜電條件.請為容器和封裝材料選擇導電材料.在處理的時候,請使用電焊槍和無高電壓泄漏的測量電路,并進行接地操作.


ABM7-25.000MHZ-B4-T數據手冊 6035mm 25MHZ SMD ABM7
6G無線藍牙晶振|HEC陶瓷諧振器|HE-MCC-125A-44.000F-E
6G無線通信晶振,加高陶瓷晶振,XSHO25000FC1H-H,HSX530G無源晶體
1CX40000EE1O,DSX840GA大真空晶體,40MHZ陶瓷晶振
QuartzCom低成本晶振,13MHZ無源晶體,SMX-3C定位系統晶振
XMP-6135-1A-12pF-40MHZ,KVG投影儀晶振,XMP-6100水晶振動子
CX3225CA26000D0HSSZ1,京瓷陶瓷晶振,CX3225CA車載網絡晶振
F3215‐20‐12.5,32.768KHZ晶振,FCD-Tech時鐘晶體,3215mm
NKG陶瓷晶振,S6GA27.0000F16E25-EXT,S6GA視頻晶振,27MHZ,6035mm