86-0755-27838351

頻率:3.579545MHz~160MHz
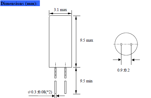
尺寸:3*9mm
津綻石英科技股份有限公司為專業的石英晶體諧振器頻率控制裝置制造商。我們的主要生產產品為全系列石英晶體振蕩子(DIP&SMD X'TAL),晶體振蕩器(SMD OSLLATOR)和電壓晶體控制振蕩器(SMD VCXO)。津綻石英科技股份有限公司擁有超過10年以上的生產經驗,秉持著持續開發與專業技術支持,提供使用者最佳的解決方案及最佳的服務品質。NSK之環境管制物質控制規范,系依「歐盟RoHS指令標準參數」,「REACh法規」,「SONY技術標準SS-00259」以及其他客戶要求NSK之環境管制物質控制規范。
NSK是津綻石英科技股份有限公司于全球的銷售品牌,具有良好競爭性的價格及靈活快速的交易管理。NSK的石英晶振產品被廣泛地運用在個人計算機,安全系統,通訊,無線應用,遙控單元和消費性電子產品等,并已陸續獲得國內外電腦及通訊大廠認可及使用。NSK已獲得ISO 9001 / ISO 14001的品質和環保認證,產品并通過及符合Rohs規范的要求,且確實配合客戶實現無毒產品的要求,以創造及維護美好環境為己任。
NSK晶振,插件晶振,NXF 3-9晶振,進口諧振器,引腳焊接型石英晶體元件.工廠倉庫長時間大量庫存常用頻點,高精度的頻率和晶振本身更低的等效串聯電阻,常用負載電容.49/U石英晶振,因插件型晶體成本更低和更高的批量生產能力,主要應用于電視,機頂盒,LCDM和游戲機家用常規電器數碼產品等的最佳選擇.符合RoHS/無鉛.
晶振的真空封裝技術:是指臺產晶振在真空封裝區域內進行封裝。1.防止外界氣體進入組件體內受到污染和增加應力的產生;2.使晶振組件在真空下電阻減小;3.氣密性高。此技術為研發及生產超小型、超薄型石英晶振必須攻克的關鍵技術之一。
|
NSK晶振規格 |
單位 |
NXF 3-9晶振頻率 |
石英晶振基本條件 |
|
標準頻率 |
f_nom |
3.579545MHz~160MHz |
標準頻率 |
|
儲存溫度 |
T_stg |
-40°C ~ +85°C |
裸存 |
|
工作溫度 |
T_use |
-10°C ~ +70°C |
標準溫度 |
|
激勵功率 |
DL |
10~100μW |
推薦:1μW ~ 1000μW |
|
頻率公差 |
f_— l |
±10,20,30× 10-6 (標準), |
+25°C 對于超出標準的規格說明, |
|
頻率溫度特征 |
f_tem |
±10,20,30× 10-6/-20°C ~ +70°C |
超出標準的規格請聯系我們. |
|
負載電容 |
CL |
10~32pF |
超出標準說明,請聯系我們. |
|
串聯電阻(ESR) |
R1 |
如下表所示 |
-40°C — +85°C, DL = 100μW |
|
頻率老化 |
f_age |
±3× 10-6 / year Max. |
+25°C,第一年 |
各項注意事項:產品使用每種產品時,請在規格說明二腳焊接進口諧振器產品目錄規定使用條件下使用。因很多種產品性能,以及材料有所不同,所以使用注意事項也有所不同,比如焊接模式,運輸模式,保存模式等等,都會有所差別。NSK晶振,插件晶振,NXF 3-9晶振,進口諧振器
產品3×9圓柱晶振設計和生產直到出廠,都會經過嚴格的測試檢測來滿足它的規格要求。通過嚴格的出廠前可靠性測試以提供高質量高的可靠性的.但是為了的品質和可靠性,必須在適當的條件下存儲,安 裝,運輸。請注意以下的注意事項并在最佳的條件下使用產品,我們將對于客戶按自己的判斷而使用石英晶振所導致的不良不負任何責任。
機械振動的影響:當石英圓柱晶振產品上存在任何給定沖擊或受到周期性機械振動時,比如:壓電揚聲器,壓電蜂鳴器,以及喇叭等,輸出頻率和幅度會受到影響。這種現象對通信器材通信質量有影響。盡管產品設計可最小化這種機械振動的影響,我們推薦事先檢查并按照下列安裝指南進行操作。

電話:+86-0755-278383514
手機:138-2330-0879
QQ:632862232
地址:廣東深圳市寶安寶安大道東95號浙商銀行大廈1905