86-0755-27838351

頻率:156.25MHz
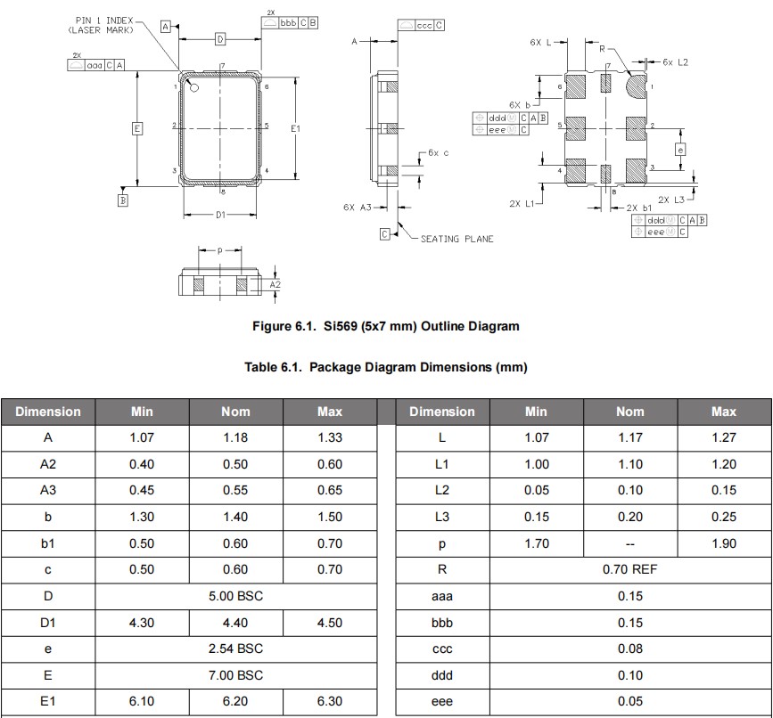
尺寸:7.0x5.0mm
Skyworks壓控晶振,Si569差分晶振,569AAAA000118ACG搜索加速應用晶振,進口晶振,Skyworks思佳訊晶振,型號:Si569,編碼為:569AAAA000118ACG,頻率為:156.25MHz,小體積晶振尺寸:7.0x5.0mm封裝,六腳貼片晶振,LVPECL輸出差分晶振,VCXO壓控晶振,石英晶振,有源晶振,石英晶體振蕩器。超低抖動任意頻率VCXO(100 fs),Si569超系列™壓控晶體振蕩器利用天空解決方案先進的第四代DSPLL®技術,在任何輸出頻率提供超低抖動、低相位噪聲時鐘。該設備通過簡單的I2C命令進行用戶編程,提供從0.2到3000 MHz的任何頻率和<1 ppb分辨率,并在其工作范圍內對整數和分數頻率保持異常低的抖動。片上電源濾波提供了行業領先的電源噪聲抑制,簡化了在使用切換模式電源的有噪聲系統中產生低抖動時鐘的任務。與傳統的XO不同,每個輸出頻率都需要不同的晶體,Si569使用一個簡單的晶體和一種基于DSPLL ic的方法來提供所需的輸出頻率。Si569石英晶體振蕩器可在工廠上配置各種用戶規格,包括啟動頻率、I2C地址、輸出格式和OE引腳位置/極性。特定的配置在裝運時工廠編程,消除了與定制振蕩器相關的長時間。
應用于:100G/200G/400G OTN,相干光學,PAM4,3G-SDI/12G-SDI/24G-SDI廣播視頻,服務器,交換機,存儲,搜索加速,FPGA/ASIC時鐘,物聯網,光纖通訊等應用。
Skyworks壓控晶振,Si569差分晶振,569AAAA000118ACG搜索加速應用晶振 參數表
Parameter
Symbol
Test Condition/Comment
Min
Typ
Max
Unit
Temperature Range
TA
–40
85
ºC
Frequency Range
FCLK
LVPECL, LVDS, CML
156.25
MHz
HCSL
0.2
—
400
MHz
CMOS, Dual CMOS
0.2
250
MHz
Supply Voltage
V DD
3.3 V
3.135
3.3
3.465
V
2.5 V
2.375
2.5
2.625
V
1.8 V
1.71
1.8
1.89
V
Supply Current
IDD
LVPECL (output enabled)
120
170
mA
LVDS/CML (output enabled)
—
100
140
mA
HCSL (output enabled)
95
140
mA
HCSL-Fast (output enabled)
—
103
152
mA
CMOS (output enabled)
95
145
mA
Dual CMOS (output enabled)
—
105
155
mA
Tristate Hi-Z (output disabled)
83
mA
Temperature Stability1
-40 to 85 °C
–20
—
20
ppm
Rise/Fall Time
(20% to 80% VPP)
TR/T F
LVPECL/LVDS/CML
—
—
350
ps
CMOS / Dual CMOS
(CL = 5 pF)
0.5
1.5
ns
HCSL, FCLK>50 MHz
—
—
450
ps
HCSL-Fast, FCLK>50 MHz
—
—
275
ps
Duty Cycle
DC
All formats
45
55
%
Output Enable (OE)
Frequency Select (FS)2
VIH
0.7 × V DD
—
—
V
VIL
—
—
0.3 × V DD
V
TD
Output Disable Time, FCLK>10 MHz
—
—
3
µs
TE
Output Enable Time, FCLK>10 MHz
20
µs
T FS
Settling Time after FS Change
10
ms
Powerup Time
tOSC
Time from 0.9 × V DD until output fre-
quency (FCLK) within spec
—
—
10
ms
Powerup VDD Ramp Rate
V RAMP
Fastest VDDramp rate allowed on
startup
—
—
100
V/ms
LVPECL Output Option3
VOC
Mid-level
V DD – 1.42
V DD – 1.25
V
VO
Swing (diff, FCLK < 1.5 GHz)
1.1
—
1.9
VPP
Swing (diff, F CLK> 1.5 GHz)6
0.55
—
1.7
VPP
Skyworks壓控晶振,Si569差分晶振,569AAAA000118ACG搜索加速應用晶振 尺寸圖
Skyworks壓控晶振,Si569差分晶振,569AAAA000118ACG搜索加速應用晶振
產品特點:
I2C可編程至0.2至3000 MHz的任何頻率,分辨率<1 ppb
超低抖動:100 fs RMS Typ(12 kHz–20 MHz)
最多配置2針可選啟動頻率
I2C接口支持100 kbps、400 kbps和1 Mbps(Fast Mode Plus)
出色的PSNR和電源抗擾度:–80dBc Typ
可編程Kv(ppm/V)簡化了開發
相同零件號的3.3 V、2.5 V和1.8 V VDD電源操作
LVPECL、LVDS、CML、HCSL、CMOS和雙CMOS輸出選項
2.5x3.2、3.2x5、5x7 mm封裝選項壓控晶振
樣品可用,交付周期為1-2周
| 編碼 | 晶振廠家 | 系列 | 頻率 | 輸出 | 電壓 |
| 569DABA001908BBG | Skyworks晶振 | Si569 | 1.28127409 GHz | CML | 1.8V, 2.5V, 3.3V |
| 569BAAA001478ABGR | Skyworks晶振 | Si569 | 100 MHz | LVDS | 1.8V, 2.5V, 3.3V |
| 569AAAA000126BBG | Skyworks晶振 | Si569 | 200 MHz | LVPECL | 2.5V, 3.3V |
| 569DCBA001908BBG | Skyworks晶振 | Si569 | 1.28127409 GHz | CML | 1.8V, 2.5V, 3.3V |
| 569AAAA000112ABG | Skyworks晶振 | Si569 | 10 MHz | LVPECL | 2.5V, 3.3V |
| 569AAAA002024ABG | Skyworks晶振 | Si569 | 1 MHz | LVPECL | 2.5V, 3.3V |
| 569AAAA000122BBG | Skyworks晶振 | Si569 | 1 GHz | LVPECL | 2.5V, 3.3V |
| 569DABB001679ACG | Skyworks晶振 | Si569 | 873.515 MHz | CML | 1.8V ~ 3.3V |
| 569AAAA002024ACG | Skyworks晶振 | Si569 | 1 MHz | LVPECL | 2.5V ~ 3.3V |
| 569ADAA002066ACG | Skyworks晶振 | Si569 | 1.98773286 GHz | LVPECL | 2.5V ~ 3.3V |
| 569BAAC002035ACG | Skyworks晶振 | Si569 | 299.808 MHz | LVDS | 1.8V ~ 3.3V |
| 569DABB001677ACG | Skyworks晶振 | Si569 | 873.515 MHz | CML | 1.8V ~ 3.3V |
| 569BAAD000368ACG | Skyworks晶振 | Si569 | 122.88 MHz | LVDS | 1.8V ~ 3.3V |
| 569AAAA000118ACG | Skyworks晶振 | Si569 | 156.25 MHz | LVPECL | 2.5V ~ 3.3V |
| 569GAAD000112ACG | Skyworks晶振 | Si569 | 10 MHz | CMOS | 1.8V ~ 3.3V |
| 569AFBC000547ACG | Skyworks晶振 | Si569 | 698.812335 MHz | LVPECL | 2.5V ~ 3.3V |
| 569AAAA000368ACG | Skyworks晶振 | Si569 | 122.88 MHz | LVPECL | 2.5V ~ 3.3V |
| 569BABB001677ACG | Skyworks晶振 | Si569 | 873.515 MHz | LVDS | 1.8V ~ 3.3V |
| 569BAAA001968ACG | Skyworks晶振 | Si569 | 1.2 GHz | LVDS | 1.8V ~ 3.3V |
| 569BAAA001478ACG | Skyworks晶振 | Si569 | 100 MHz | LVDS | 1.8V ~ 3.3V |
| 569AAAA002020ACG | Skyworks晶振 | Si569 | 108.0791 MHz | LVPECL | 2.5V ~ 3.3V |
| 569AAAA002062ACG | Skyworks晶振 | Si569 | 108.791 MHz | LVPECL | 2.5V ~ 3.3V |
| 569EAAC002034BCGR | Skyworks晶振 | Si569 | 111 MHz | HCSL | 1.8V ~ 3.3V |
| 569BAAA001478BCG | Skyworks晶振 | Si569 | 100 MHz | LVDS | 1.8V ~ 3.3V |
| 569BAAA000118BCGR | 石英晶振 | Si569 | 156.25 MHz | LVDS | 1.8V ~ 3.3V |
| 569BAAA001478BCGR | Skyworks晶振 | Si569 | 100 MHz | LVDS | 1.8V ~ 3.3V |
| 569DABB001679ACGR | Skyworks晶振 | Si569 | 873.515 MHz | CML | 1.8V ~ 3.3V |
| 569EAAC002034BCG | Skyworks晶振 | Si569 | 111 MHz | HCSL | 1.8V ~ 3.3V |
| 569DABB001677ACGR | Skyworks晶振 | Si569 | 873.515 MHz | CML | 1.8V ~ 3.3V |
| 569BCBA001908BCG | Skyworks晶振 | Si569 | 1.28127409 GHz | LVDS | 1.8V ~ 3.3V |
| 569AAAA000122BCGR | Skyworks晶振 | Si569 | 1 GHz | LVPECL | 2.5V ~ 3.3V |
| 569AAAA002062ACGR | Skyworks晶振 | Si569 | 108.791 MHz | LVPECL | 2.5V ~ 3.3V |
| 569AAAA000118BCGR | Skyworks晶振 | Si569 | 156.25 MHz | LVPECL | 2.5V ~ 3.3V |
| 569BCBA001908BCGR | Skyworks晶振 | Si569 | 1.28127409 GHz | LVDS | 1.8V ~ 3.3V |
| 569GAAD000112ACGR | Skyworks晶振 | Si569 | 10 MHz | CMOS | 1.8V ~ 3.3V |
| 569BCAA001908BCG | Skyworks晶振 | Si569 | 1.28127409 GHz | LVDS | 1.8V ~ 3.3V |
| 569AAAA002024ACGR | Skyworks晶振 | Si569 | 1 MHz | LVPECL | 2.5V ~ 3.3V |
| 569BABB001677ACGR | Skyworks晶振 | Si569 | 873.515 MHz | LVDS | 1.8V ~ 3.3V |
| 569AAAA002020ACGR | Skyworks晶振 | Si569 | 108.0791 MHz | LVPECL | 2.5V ~ 3.3V |
| 569BCAA001908BCGR | Skyworks晶振 | Si569 | 1.28127409 GHz | LVDS | 1.8V ~ 3.3V |
| 569BAAA002113BCG | Skyworks晶振 | Si569 | 10 MHz | LVDS | 1.8V ~ 3.3V |
| 569AAAA000126BCGR | Skyworks晶振 | Si569 | 200 MHz | LVPECL | 2.5V ~ 3.3V |
| 569BAAA000118BCG | Skyworks晶振 | Si569 | 156.25 MHz | LVDS | 1.8V ~ 3.3V |
| 569BAAC002035ACGR | Skyworks晶振 | Si569 | 299.808 MHz | LVDS | 1.8V ~ 3.3V |
| 569BAAA002113BCGR | Skyworks晶振 | Si569 | 10 MHz | LVDS | 1.8V ~ 3.3V |
| 569AAAA000122BCG | Skyworks晶振 | Si569 | 1 GHz | LVPECL | 2.5V ~ 3.3V |
| 569AAAA000126BCG | Skyworks晶振 | Si569 | 200 MHz | LVPECL | 2.5V ~ 3.3V |
| 569AFBC000547ACGR | Skyworks晶振 | Si569 | 698.812335 MHz | LVPECL | 2.5V ~ 3.3V |
| 569BAAC000118BCG | Skyworks晶振 | Si569 | 156.25 MHz | LVDS | 1.8V ~ 3.3V |
| 569ADAA002066ACGR | Skyworks晶振 | Si569 | 1.98773286 GHz | LVPECL | 2.5V ~ 3.3V |
| 569AAAA000368ACGR | Skyworks晶振 | Si569 | 122.88 MHz | LVPECL | 2.5V ~ 3.3V |
| 569BAAA001478ACGR | Skyworks晶振 | Si569 | 100 MHz | LVDS | 1.8V ~ 3.3V |



電話:+86-0755-278383514
手機:138-2330-0879
QQ:632862232
地址:廣東深圳市寶安寶安大道東95號浙商銀行大廈1905