86-0755-27838351
頻率:6MHZ
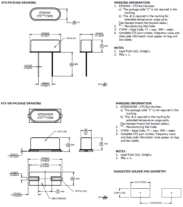
尺寸:10.08*4.5mm
CTS晶振,ATS晶振,高質量插件晶振.引腳焊接型石英晶體元件.工廠倉庫長時間大量庫存常用頻點,.高精度的頻率和晶振本身更低的等效串聯電阻.常用負載電容,49/S石英晶振,因插件型鏡頭成本更低和更高的批量生產能力.主要應用于電視,機頂盒,LCDM和游戲機家用常規電器數碼產品等的最佳選擇.符合RoHS/無鉛.
石英晶振曲率半徑加工技術:石英晶振晶片在球筒倒邊加工時應用到的加工技術,主要是研究滿足不同曲率半徑石英晶振晶片設計可使用的方法.如:1、是指球面加工曲率半徑的工藝設計(a、球面的余弦磨量;b、球面的均勻磨量;c、球面加工曲率半徑的配合)2、在加工時球面測量標準的設計原則(曲率半徑公式的計算)
CTS公司成立于1896,是全球設計和制造各種電子元器件、傳感器和執行器的領導者.主要滿足原始設備制造商(OEM)的需求,CTS以其超過100年的創新產品和卓越工程而自豪.CTS歐美晶振產品的生產采用最先進的技術,由一個高素質和敬業的員工驅動.
|
CTS晶振規格 |
單位 |
ATS晶振 |
石英晶振基本條件 |
|
標準頻率 |
f_nom |
6MHZ |
標準頻率 |
|
儲存溫度 |
T_stg |
-40°C ~ +85°C |
裸存 |
|
工作溫度 |
T_use |
-20°C ~ +85°C |
標準溫度 |
|
激勵功率 |
DL |
100,1000μW Max. |
推薦:100,1000μW |
|
頻率公差 |
f_— l |
±30× 10-6 (標準), |
+25°C 對于超出標準的規格說明,
請聯系我們以便獲取相關的信息,http://m.yaohuifushi.cn
|
|
頻率溫度特征 |
f_tem |
±50 × 10-6/-20°C ~ +70°C |
超出標準的規格請聯系我們. |
|
負載電容 |
CL |
12pF,16PF,18PF,20PF |
不同負載電容要求,請聯系我們. |
|
串聯電阻(ESR) |
R1 |
如下表所示 |
-40°C — +85°C, DL = 100μW |
|
頻率老化 |
f_age |
±3 × 10-6 / year Max. |
+25°C,第一年 |
抗沖擊
抗沖擊是指插件晶振產品可能會在某些條件下受到損壞.例如從桌上跌落,摔打,高空拋壓或在貼裝過程中受到沖擊.如果產品已受過沖擊請勿使用.因為無論何種石英晶振,其內部晶片都是石英49S晶振制作而成的,高空跌落摔打都會給晶振照成不良影響.
機械振動的影響
當晶振產品上存在任何給定沖擊或受到周期性機械振動時,比如:壓電揚聲器,壓電蜂鳴器,以及喇叭等,輸出頻率和幅度會受到影響.這種現象對通信器材通信質量有影響.盡管晶振產品設計可最小化這種機械振動的影響,我們推薦事先檢查并按照下列安裝指南進行操作.
耐焊性:
將晶振加熱包裝材料至+150°C以上會破壞產品特性或損害產品.如需在+150°C以上焊接石英晶振,建議使用49S晶振產品.在下列回流條件下,對石英時計產品晶振產品甚至49S插件晶振使用更高溫度,會破壞晶振特性.建議使用下列配置情況的回流條件.安裝這些插件晶振之前,應檢查焊接溫度和時間.同時,在安裝條件更改的情況下,請再次進行檢查.如果需要焊接的晶振產品在下列配置條件下進行焊接,請聯系我們以獲取耐熱的相關信息.
激勵功率
在晶振上施加過多驅動力,會導致產品特性受到損害或破壞.電路設計必須能夠維持適當的激勵功率 (請參閱“激勵功率”章節內容).
負極電阻
除非石英晶體振蕩器回路中分配足夠多的負極電阻,否則振蕩或振蕩啟動時間可能會增加(請參閱“關于振蕩”章節內容).
負載電容
有源晶振振蕩電路中負載電容的不同,可能導致振蕩頻率與設計頻率之間產生偏差.試圖通過強力調整,可能只會導致不正常的振蕩.在使用之前,請指明該振動電路的負載電容(請參閱“負載電容”章節內容).



電話:+86-0755-278383514
手機:138-2330-0879
QQ:632862232
地址:廣東深圳市寶安寶安大道東95號浙商銀行大廈1905