86-0755-27838351
頻率:32.768KHZ
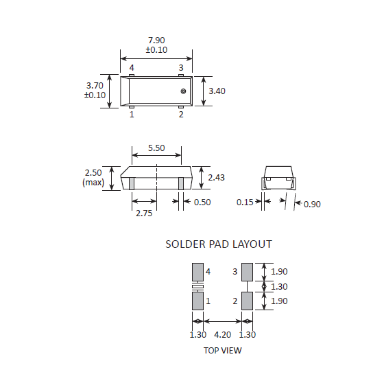
尺寸:7.9*3.7*2.5mm
小型貼片石英晶振,外觀尺寸具有薄型表面貼片型石英晶體諧振器,特別適用于有小型化要求的市場領域,比如智能手機,無線藍牙,平板電腦等電子數碼產品.晶振本身超小型,薄型,重量輕,晶體具有優良的耐環境特性,如耐熱性,耐沖擊性,在辦公自動化,家電相關電器領域及Bluetooth,WirelessLAN等短距離無線通信領域可發揮優良的電氣特性,滿足無鉛焊接的回流溫度曲線要求.
Golledge晶振,無源環保晶振,GSX-200晶體.貼片晶振本身體積小,超薄型石英晶體諧振器,特別適用于有目前高速發展的高端電子數碼產品,因為晶振本身小型化需求的市場領域,小型?薄型是對應陶瓷諧振器(偏差大)和普通的石英晶體諧振器(偏差小)的中間領域的一種性價比較出色的產品.產品廣泛用于筆記本電腦,無線電話,衛星導航HDD,SSD,USB,Blu-ray等用途,符合無鉛焊接的高溫回流焊曲線特性.
晶振高精密點膠技術:石英晶振晶片膠點的位置、大小:位置準確度以及膠點大小一致性,通過圖像識別及高精密度數字定位系統的運用、使石英無源晶振晶片的點膠的精度在±0.02mm之內.將被上銀電極的晶片裝在彈簧支架上,點上導電膠,并高溫固化,通過彈簧即可引出電信號.
高利奇晶振憑借著對互聯網和電子商務的承諾,我們能夠支持我們客戶最復雜和最苛刻的需求使我們與其他供應商分開的是我們人民的經驗和能力.我們的石英耐高溫晶振生產業務團隊是業界最有經驗和最了解的之一,使我們能夠提供我們的客戶友好,專業的建議和一個非常有效的服務.
清洗
關于一般清洗液的使用以及超聲波清洗沒有問題,但這僅僅是對單個32.768K石英晶體產品進行試驗所得的結果,因此請根據實際使用狀態進行確認.由于音叉型晶體諧振器的頻率范圍和超聲波清洗機的清洗頻率很近,容易受到共振破壞,因此請盡可能避免超聲波清洗.若要進行超聲波清洗,必須事先根據實際使用狀態進行確認.
自動安裝時的沖擊
自動安裝和真空化引發的沖擊會破壞產品特性并影響這些進口晶體振蕩器.請設置安裝條件以盡可能將沖擊降至最低,并確保在安裝前未對產品特性產生影響.條件改變時,請重新檢查安裝條件.同時,在安裝前后,請確保石英晶振未撞擊機器或其他電路板等.
粘合劑
請勿使用可能導致貼片晶振所用的封裝材料,終端,組件,玻璃材料以及氣相沉積材料等受到腐蝕的膠粘劑.(比如,氯基膠粘劑可能腐蝕一個晶體單元的金屬“蓋”,從而破壞密封質量,降低性能.)
鹵化合物
請勿在鹵素氣體環境下使用無源晶振.即使少量的鹵素氣體,比如在空氣中的氯氣內或封裝所用金屬部件內,都可能產生腐蝕.同時,請勿使用任何會釋放出鹵素氣體的樹脂.
通電
不建議從中間電位和/或極快速通電,否則會導致有源晶體無法產生振蕩和/或非正常工作.晶振的軟焊溫度條件被設計成可以和普通電子零部件同時作業,但如果是超過規格以上的高溫,則頻率有可能發生較大的變化,因此請避免不必要的高溫度.有關SMD產品的回流焊焊接溫度描述,請參照“表面貼裝型晶體產品的回流焊焊接溫度描述”.

小型貼片SMD晶振,外觀尺寸具有薄型表面貼片型石英晶體諧振器,特別適用于有小型化要求的市場領域,比如智能手機,無線藍牙,平板電腦等電子數碼產品.晶振本身超小型,薄型,重量輕,晶體具有優良的耐環境特性,如耐熱性,耐沖擊性,在辦公自動化,家電相關電器領域及Bluetooth,WirelessLAN等短距離無線通信領域可發揮優良的電氣特性,滿足無鉛焊接的回流溫度曲線要求.


電話:+86-0755-278383514
手機:138-2330-0879
QQ:632862232
地址:廣東深圳市寶安寶安大道東95號浙商銀行大廈1905