86-0755-27838351

頻率:1.8432~150MHZ
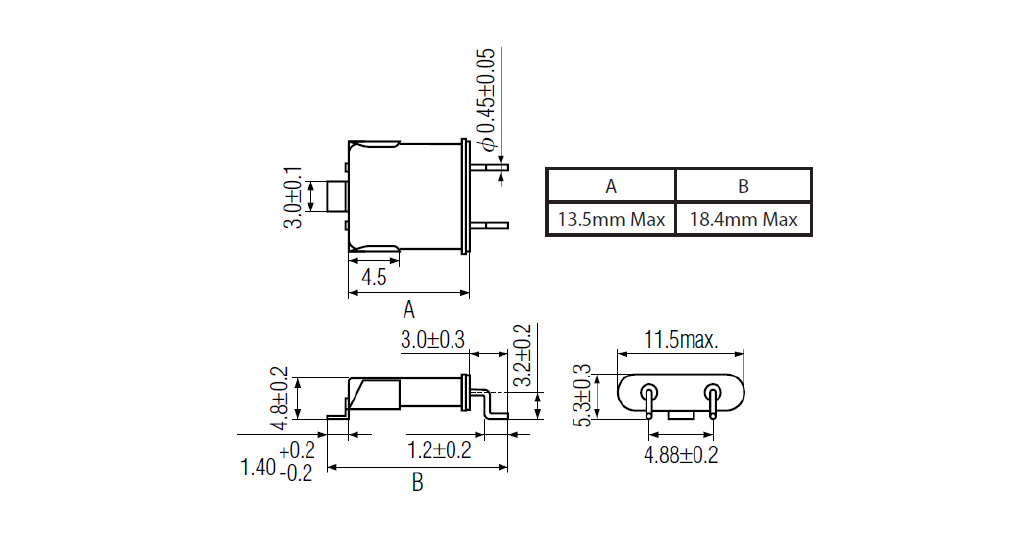
尺寸:4.5*11.5mm
Vectron國際公司是世界領先的頻率控制、傳感器和混合產品解決方案的設計、制造和營銷的領導者,它采用了從直流到微波頻率的大量聲波(BAW)和表面聲波(SAW)的最新技術。產品包括石英晶振和晶體振蕩器;頻率翻譯;時鐘和數據恢復產品;看到過濾器;用于電信、數據通信、頻率合成器、定時、導航、軍事、航空和儀表系統的水晶過濾器和組件。
Vectron國際公司既是一個產品制造商,也是一個解決方案提供商,以其獨特的技術領先,但總是準備設計和設計定制解決方案,在那里需要。美國威克創抯核心競爭力結合了經典的進口晶振,看到技術和復雜的集成電路和先進的包裝。除了這些偉大的創新能力之外,Vectron還致力于非常靈活和專注于服務,快速和專業地幫助客戶創新、改進和發展他們的業務。
維管晶振,插件晶振,VXA7晶振,進口DIP晶振,引腳焊接型石英晶體元件.工廠倉庫長時間大量庫存常用頻點,高精度的頻率和晶振本身更低的等效串聯電阻,常用負載電容.49/U石英晶振,因插件型晶體成本更低和更高的批量生產能力,主要應用于電視,機頂盒,LCDM和游戲機家用常規電器數碼產品等的最佳選擇.符合RoHS/無鉛.
石英晶振在選用晶片時應注意溫度范圍、石英晶體諧振器溫度范圍內的頻差要求,貼片晶振溫度范圍寬時(-40℃-85℃)晶振切割角度比窄溫(-10℃-70℃)切割角度應略高。對于晶振的條片,長邊為 X 軸,短邊為 Z 軸,面為 Y 軸。對于圓片晶振,X、Z 軸較難區分,所以石英晶振對精度要求高的產品(如部分定單的 UM-1),會在 X 軸方向進行拉弦(切掉一小部分),以利于晶振的晶片有方向的裝架點膠,點膠點點在 Z 軸上。保證晶振產品的溫度特性。
|
維管晶振規格 |
單位 |
VXA7晶振頻率 |
石英晶振基本條件 |
|
標準頻率 |
f_nom |
1.8432~150MHZ |
標準頻率 |
|
儲存溫度 |
T_stg |
-40°C~+90°C |
裸存 |
|
工作溫度 |
T_use |
-0°C ~ +85°C |
標準溫度 |
|
激勵功率 |
DL |
10,100μW Max. |
推薦:1μW ~ 100μW |
|
頻率公差 |
f_— l |
±10,100 × 10-6 (標準), |
+25°C 對于超出標準的規格說明, |
|
頻率溫度特征 |
f_tem |
±10,20,30 × 10-6/-20°C ~ +70°C |
超出標準的規格請聯系我們. |
|
負載電容 |
CL |
6~32PF |
超出標準說明,請聯系我們. |
|
串聯電阻(ESR) |
R1 |
如下表所示 |
-40°C — +85°C, DL = 100μW |
|
頻率老化 |
f_age |
±5× 10-6 / year Max. |
+25°C,第一年 |
晶振產品的設計和生產直到出廠,都會經過嚴格的測試檢測來滿足它的規格要求。通過嚴格的出廠前可靠性測試以提供高質量高的可靠性的,但是為了插件型石英晶體的品質和可靠性,必須在適當的條件下存儲,安 裝,運輸。請注意以下的注意事項并在最佳的條件下使用產品,我們將對于客戶按自己的判斷而使用石英晶振所導致的不良不負任何責任。維管晶振,插件晶振,VXA7晶振,進口DIP晶振
機械振動的影響:當產品上存在任何給定沖擊或受到周期性機械振動時,比如:壓電揚聲器,壓電蜂鳴器,以及喇叭等,輸出頻率和幅度會受到影響。這種現象對通信器材通信質量有影響。盡管壓電石英晶體產品設計可最小化這種機械振動的影響,我們推薦事先檢查并按照下列安裝指南進行操作。
PCB設計指導:(1) 理想情況下,機械蜂鳴器應安裝在一個獨立于插件石英晶振器件的PCB板上。如果您安裝在同一個PCB板上,最好使用余量或切割PCB。當應用于PCB板本身或PCB板體內部時,機械振動程度有所不同。建議遵照內部板體特性。



電話:+86-0755-278383514
手機:138-2330-0879
QQ:632862232
地址:廣東深圳市寶安寶安大道東95號浙商銀行大廈1905