86-0755-27838351

晶振是種控制頻率元件,在電路模塊中提供頻率脈沖信號源,在信號源傳輸的過程中晶振在電路配合下發出指令,通過與其他元件配合使用。簡單點來說就是晶振的作用是給電路提供一定頻率的穩定的震蕩(脈沖)信號,比如石英鐘,就是通過對脈沖記數來走時的。
石英晶振應用廣泛,被用于各領域中,如果說在智能電路中IC是大腦,那么晶振就是心臟.由此可見石英晶振,貼片晶振在產品中使用的重要性.康華爾電子是國內一流的晶振產品供貨商,為用戶提供質優價廉的產品,在業內擁有一流的口碑.并且一直以來免費為用戶提供晶振技術資料查詢,下載時等服務.下面為康華爾電子所介紹的有關石英晶體的振動模式,頻率,溫度特性,等效電路等各種常數,歡迎收藏閱讀.
1.振動模式和方向角
關于AT和BT切割的振動模式,在室溫附近的頻率溫度特性的初級系數達到零的方位角如圖1所示。
厚度剪切振動的模式實際上如圖2所示
圖2厚度剪切振動
關于通常使用的AT和BT切割石英晶體,它們的頻率范圍和頻率系數(晶體板厚度和振蕩頻率之間的關系)示于表1中。
2.頻率 - 溫度特性
晶體的頻率 - 溫度特性根據其曲線形狀分為兩類。一個是三級曲線,另一個是二次曲線。AT和BT切口的典型頻率 - 晶振溫度特性分別如圖3和圖4所示。AT切割石英晶體單元是最廣泛使用的,因為它們響應室溫范圍內的溫度變化產生較小的頻率變化。
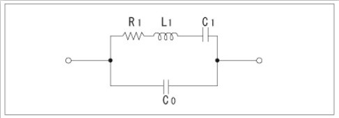
3.等效電路和各種常數
諧振頻率附近的石英晶體的等效電路由圖5中所示的布置表示。
R1:串聯電阻
L1:運動電感
C1:運動電容
C0:分流電容
圖5石英晶體的等效電路
其振蕩頻率附近的晶體單元的導納軌跡圖和石英晶體振蕩器,石英晶體單元的等效電路如圖6所示。該圖和圖表顯示了各種電路條件下等效電路的結構以及振蕩頻率和電阻之間的關系。等等,在這里,我們可以找到各種常數之間的以下關系
圖6導納軌跡圖