86-0755-27838351

頻率:100MHZ~700MHZ
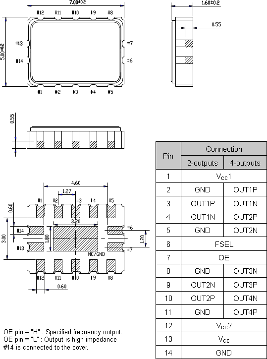
尺寸:7.0*5.0mm
愛普生晶振,MG7050VAN晶振,LVDS晶振
愛普生株式會社EPSON晶振,愛普生拓優科夢,(EPSON—YOCOM)1942年成立時是精工集團的第三家手表制造公司,以石英手表起家的愛普生公司到后續的生產壓電石英晶振, 晶振,石英晶振,有源晶振,壓控振蕩器, 壓控晶體振蕩器(VCXO)、溫補晶體振蕩器(TCXO)。1996年2月在中國蘇州投資建廠,在當時員工人數就達2000人,總投資4.055億美元,公司占地200畝,現已經是世界500強企業.
日本精工愛普生晶振接受了中國蘇州政府2007 年的招商引資,命名為【愛普生拓優科夢水晶元器件(蘇州)有限公司】愛普生拓優科夢(Epson Toyocom)是精工愛普生株式會社與愛普生晶振(中國)有限公司共同投資成立的有限責任公司(外商合資).
愛普生晶振公司已經建立了一個原始的垂直整合制造模型的最佳手段持續為客戶創造新的價值,并決定使用這個模型來驅動前面提到的四個關鍵領域的創新.這意味著從頭開始創建產品:創建我們自己的獨特的核心技術和設備,使用這些作為基地的規劃和設計提供獨特價值的產品,生產或制造的藝術和科學,我們積累了多年的專業知識,然后生產晶振,石英晶振,有源晶振,貼片晶振,壓控振蕩器, 32.768K鐘表晶振,溫補晶振,石英晶體振蕩器,壓控石英水晶振蕩子,等出售給我們的客戶.
愛普生晶振公司加強人力資源的全功能,技術,生產,銷售和支持和環境問題,利用信息技術,推進我們的原始制造模式尋求實現我們的愿景.視野下就像我提到的,我們的目標是使用我們的技術來創建一個新的連接人的時代,事物和信息,這樣我相信我們可以成為不可或缺的公司為我們的客戶和社會.
愛普生晶振,MG7050VAN晶振,LVDS晶振
愛普生拓優科夢把半導體(IC)稱之為“產業之米”,并認為晶體元器件更是離不開的“產業之鹽”將進一步致力于小型,高穩定,高精度晶體元器件的開發,為現有的應用程序以及生活新藍圖開拓廣闊前景.愛普生晶振在KHZ,MHZ,以及GHZ上都有重大突破,使得愛普生拓優科夢的晶體元器件已以23%的市場占有率位于業界第一.
那我們說說愛普生KHZ的產品工藝吧,愛普生KHZ產品分有圓柱DIP和貼片SMD.KHZ中愛普生是以32.768KHZ最為出名的. 32.768K晶振是一款數字電路板都要使用到的重要部件,有人比喻為電路板的心跳發生器,也就是說心如果停止了跳動,那么電路板也將無法進行穩定的工作了.32.768K中愛普生C-002RX是一款受歡迎的圓柱音叉晶振,體積只有2*6mm.精工的VT-200-F,西鐵城的CFS206,KDS的DT-26同體積同參數.因此說道的四款型號晶振都是可以相互替換使用的.只是有客戶比較鐘愛某個品牌,或者是上級有要求一定要用什么品牌的.C-002RX具有的優點有
1,超小型、薄型、質地輕的音叉圓柱晶振,使焊接更為方便簡單.
2,具備優良的耐熱性、耐環境特性
3,金屬外殼的使用使得產品在封裝時能發揮比陶瓷外殼更好的耐沖擊性.
愛普生除此C-002RX晶振,C-001也是工藝中比較常用到的音叉晶振,體積大概只有3*8mm.只是2*6體積稍微小一點,比較受廣發消費者的愛戴.同此相比,當然也有比2*6更小的體積了,例如體積只有5*1.5mm的C-004R圓柱晶振,4.5*1.2mm的C-005R圓柱晶振.價格相對來說都是比較貴的.因為體積小就意味著占用空間小.
KHZ貼片系列,愛普生在這一系列上做的可是相當的卓越,將貼片晶振最小體積做到了2.05*1.25*0.35mm.在這之前最小的體積基本上就是3.2*1.5mm.愛普生的不斷突破使其在市場上占有絕對的優勢.只是這款貼片晶振價格是相當的昂貴.因為里面晶片磨的越小,就代表工藝越復雜.該貼片晶振具有的優點
1,高精度小型表面貼片型石英晶體諧振器
2,輕薄型不小型化為高端產品帶來了更大的方便
3,可發揮優良的電氣特性
4,金屬外殼的使用使得產品在封裝時能發揮比陶瓷外殼更好的耐沖擊性.
| 項目 | 符號 | 規格說明 | 條件 | ||
|---|---|---|---|---|---|
| 輸出頻率范圍 | f0 | 100MHz ~ 700MHz | 請聯系我們以便獲取其它可用頻率的相關信息 | ||
|
100MHz , 106.25MHz , 125MHz , 150MHz 156.25MHz , 200MHz , 212.5MHz , 250MHz 300MHz , 312.5MHz |
標準頻率 | ||||
| 電源電壓 | VCC | D : 2.5V ± 0.125V | C : 3.3V ± 0.33V | VCC1 和 VCC2 需要相同的電壓 | |
| 儲存溫度 | T_stg | -55°C to +125°C | 作為單一產品存儲 | ||
| 工作溫度 | T_use |
A : 0°C to +70°C, B : -20°C to +70°C, D : -5°C to +85°C |
|||
| 頻率穩定度 *1 | f_tol |
J : ± 50 × 10-6 L : ±100 × 10-6 |
|||
| 功耗 | ICC |
35mA Typ. 50mA Max. |
45mA Typ. 56mA Max. |
2-輸出 |
OE = VCC, L_LVDS = 50Ω |
|
40mA Typ. 66 mA Max. |
50mA Typ. 72 mA Max. |
4-輸出 | |||
| 輸出禁用電流 | I_dis |
7mA Typ. 18mA Max. |
OE = GND | ||
| 占空比 | SYM | 45% to 55% | 在輸出交叉點上 | ||
| 輸出電壓 | VOH | 247 mV ~ 454 mV | DC 特征 | ||
| VOL | 1.125 V ~ 1.375 V | ||||
|
輸出負載條件 |
L_LVDS | 100 Ω | 連接到OUTnP 與 OUTnN之間 | ||
| 輸入電壓 | VIH | 70% VCC Min. | OE終端 和 FSEL終端 | ||
| VIL | 30% VCC Max. | ||||
| 上升/下降時間 | tr / tf |
200ps Typ. 400ps Max. |
20 % to 80 % 微分輸出 峰-峰值 | ||
| 振蕩啟動時間 | t_str |
5ms Typ. 10ms Max. |
在電源電壓最低時,所需時間為0秒 | ||
| 相位抖動 | tPJ | 0.19ps Typ. | 0.16ps Typ. | f0 = 100MHz |
抵消頻率: 12kHz 20MHz |
| 0.18ps Typ. | 0.15ps Typ. | f0 = 125MHz | |||
| 0.17ps Typ. | 0.14ps Typ. | f0 = 156.25MHz | |||
| 0.15ps Typ. | 0.13ps Typ. | f0 = 212.5MHz | |||
| 0.12ps Typ. | 0.11ps Typ. | f0 = 312.5MHz | |||
| 0.06ps Typ. | 0.05ps Typ. | f0 = 700MHz | |||
| 0.3ps Max. | |||||
| 變形 | t_skew |
20ps Typ. 50ps Max. |
FSEL = H | ||
| 頻率老化 | f_aging | N : ± 10 × 10-6 / year Max. | 第一年 |
+25°C, VCC = 2.5V , 3.3V |
|
| A : 頻率穩定度包含 *2 | 10年 | ||||



電話:+86-0755-278383514
手機:138-2330-0879
QQ:632862232
地址:廣東深圳市寶安寶安大道東95號浙商銀行大廈1905