86-0755-27838351

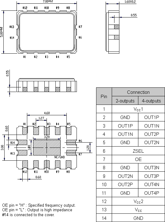
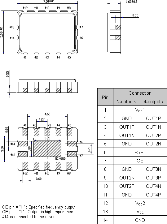
頻率:0.67MHZ~170MHZ
尺寸:7.0*5.0mm
愛普生晶振,SG-8018CA晶振,晶體振蕩器
愛普生拓優科夢把半導體(IC)稱之為“產業之米”,并認為晶體元器件更是離不開的“產業之鹽”將進一步致力于小型,高穩定,高精度晶體元器件的開發,為現有的應用程序以及生活新藍圖開拓廣闊前景.愛普生晶振在KHZ,MHZ,以及GHZ上都有重大突破,使得愛普生拓優科夢的晶體元器件已以23%的市場占有率位于業界第一.
那我們說說愛普生KHZ的產品工藝吧,愛普生KHZ產品分有圓柱DIP和貼片SMD.KHZ中愛普生是以32.768KHZ最為出名的. 32.768K晶振是一款數字電路板都要使用到的重要部件,有人比喻為電路板的心跳發生器,也就是說心如果停止了跳動,那么電路板也將無法進行穩定的工作了.32.768K中愛普生C-002RX是一款受歡迎的圓柱音叉晶振,體積只有2*6mm.精工的VT-200-F,西鐵城的CFS206,KDS的DT-26同體積同參數.因此說道的四款型號晶振都是可以相互替換使用的.只是有客戶比較鐘愛某個品牌,或者是上級有要求一定要用什么品牌的.C-002RX具有的優點有
1,超小型、薄型、質地輕的音叉圓柱晶振,使焊接更為方便簡單.
2,具備優良的耐熱性、耐環境特性
3,金屬外殼的使用使得產品在封裝時能發揮比陶瓷外殼更好的耐沖擊性.
愛普生除此C-002RX晶振,C-001也是工藝中比較常用到的音叉晶振,體積大概只有3*8mm.只是2*6體積稍微小一點,比較受廣發消費者的愛戴.同此相比,當然也有比2*6更小的體積了,例如體積只有5*1.5mm的C-004R圓柱晶振,4.5*1.2mm的C-005R圓柱晶振.價格相對來說都是比較貴的.因為體積小就意味著占用空間小.
KHZ貼片系列,愛普生在這一系列上做的可是相當的卓越,將貼片晶振最小體積做到了2.05*1.25*0.35mm.在這之前最小的體積基本上就是3.2*1.5mm.愛普生的不斷突破使其在市場上占有絕對的優勢.只是這款貼片晶振價格是相當的昂貴.因為里面晶片磨的越小,就代表工藝越復雜.該貼片晶振具有的優點
1,高精度小型表面貼片型晶體諧振器
2,輕薄型不小型化為高端產品帶來了更大的方便
3,可發揮優良的電氣特性
4,金屬外殼的使用使得產品在封裝時能發揮比陶瓷外殼更好的耐沖擊性.
愛普生晶振,SG-8018CA晶振,晶體振蕩器
全套日本愛普生晶振生產設備,全自動封膠點焊,網絡系統自動分頻檢測設備,SMD全套現代化生產線.貼片晶振,全套材料采用日本進口,日本電波NDK晶振原廠供應晶片材料,采用KYOCER CRYSTAL京瓷晶振外殼基座.主要生產:石英晶振,貼片晶振,有源晶振,石英晶體諧振器,石英晶體振蕩器,32.768K鐘表晶振,陶瓷霧化片,晶振,諧振器,等產品.并且代理日本進口晶振,愛普生晶振,KDS晶振,精工晶振,京瓷晶振,NDK晶振,村田晶振等多家日本一線品牌.與我國臺灣,TXC晶振,鴻星晶振,希華晶振,加高晶振等品牌成為戰略合作伙伴.
在2018年與多個歐美晶振品牌簽訂代銷代理同盟合作關系:ECS晶振,Abracon晶振,CTS晶振,JAUCH晶振,的多個有源晶振進口品牌合作關系,主要以車規晶振,工業級晶振,差分晶振,差分晶體振蕩器,進口差分晶振,軍工晶體為主打.優質的品質:高頻,高穩,高溫,高質量,小尺寸,低相噪,低抖動,低能耗,低損耗,低功率,底電源電壓等優勢的進口差分晶振.是國內最早采用SMD全自動化生產企業,并且2005年在贛州地區信豐工業園自購土地興建現代化生產廠房,實至名歸晶振廠家高新企業,產品60%用于出口.主要以數碼產品,智能穿戴,家居智能化,汽車電子,醫療設備,手機導航等產品為主要客戶源.康華爾電子-以品質求生存,完善的工藝,先進的設備,服務市場,服務客戶.

| 項目 | 符號 | 規格說明 | 條件 | |||||||||||||
|---|---|---|---|---|---|---|---|---|---|---|---|---|---|---|---|---|
| 電源電壓 | VCC | 1.80 V Typ. | 2.50 V Typ. | 3.30 V Typ. | ||||||||||||
| 1.62 to 1.98V | 1.98 to 2.20V | 2.20 to 2.80V | 2.70 to 3.63 V | |||||||||||||
| 輸出頻率范圍 | f0 | 0.67 MHz to 170 MHz | ||||||||||||||
| 儲存溫度 | T_stg | -40°C to +125°C | 裸存 | |||||||||||||
| 工作溫度 | T_use | H: -40°C to +105°C | ||||||||||||||
| 頻率穩定度 *1 | f_tol | J: ±50 × 10-6 | T_use= -40°C to +105°C | |||||||||||||
| 功耗 | ICC | 3.2mA Max. | 3.3mA Max. | 3.4mA Max. | 3.5mA Max. | T_use=+105°C |
無負載條件 f0 = 20 MHz |
|||||||||
| 2.7mA Typ. | 2.9mA Typ. | 3.0mA Typ. | T_use=+25°C | |||||||||||||
| 5.5mA Max. | 5.8mA Max. | 6.7mA Max. | 8.1mA Max. | T_use=+105°C |
無負載條件 f0 = 170 MHz |
|||||||||||
| 4.7mA Typ. | 5.7mA Typ. | 6.8mA Typ. | T_use=+25°C | |||||||||||||
| 輸出禁用電流 | I_dis | 3.2mA Max. | 3.2mA Max. | 3.3mA Max. | 3.5mA Max. | OE=GND , f0 = 170 MHz | ||||||||||
| 待機電流 | I_std | 0.9μA Max. | 1.0μA Max. | 1.5μA Max. | 2.5μA Max. | T_use=+105°C | ST = GND | |||||||||
| 0.3μA Typ. | 0.4μA Typ. | 0.5μA Typ. | 1.1μA Typ. | T_use=+25°C | ||||||||||||
| 占空比 | SYM | 45% to 55% | 50% VCC 級 | |||||||||||||
|
輸出電壓 (DC特性) |
VOH | 90% VCC Min. | [mA] | |||||||||||||
| tr / tf | VCC | A | B | C | D | |||||||||||
|
默認 (f0>40MHz) 快速 |
IOH | -2.5 | -3.5 | -4.0 | -5.0 | |||||||||||
| IOL | 2.5 | 3.5 | 4.0 | 5.0 | ||||||||||||
|
默認 (f0≦40MHz) |
IOH | -1.5 | -2.0 | -2.5 | -3.0 | |||||||||||
| VOL | 10% VCC Max. | IOL | 1.5 | 2.0 | 2.5 | 3.0 | ||||||||||
| 緩慢 | IOH | -1.0 | -1.5 | -2.0 | -2.5 | |||||||||||
| IOL | 1.0 | 1.5 | 2.0 | 2.5 | ||||||||||||
|
A: 1.62 to 1.98 V , B: 1.98 to 2.20 V C: 2.20 to 2.80 V , D: 2.70 to 3.63 V |
||||||||||||||||
|
輸出負載條件 (CMOS) |
L_CMOS | 15pF Max. | ||||||||||||||
| 輸入電壓 | VIH | 70% VCC Min. | OE or ST | |||||||||||||
| VIL | 30% VCC Max. | |||||||||||||||
| 上升/下降時間 | 默認 | tr / tf | 3.0 ns Max. | f0 > 40MHz |
20% VCC to 80% VCC級 L_CMOS=15pF |
|||||||||||
| 6.0 ns Max. | f0 ≦ 40MHz | |||||||||||||||
| 快速 | 3.0 ns Max. | f0=0.67to170MHz | ||||||||||||||
| 緩慢 | 10.0 ns Max. | f0=0.67to20MHz | ||||||||||||||
| 禁用時間 | t_stp | 1 μs Max. | 從OE和ST 引腳越過30%的VCC時測量 | |||||||||||||
| 啟用時間 | t_sta | 1 μs Max. | 從OE引腳越過70%的VCC時測量 | |||||||||||||
| 恢復時間 | t_res | 3 ms Max. | 從ST引腳跨越70%VCC時測量 | |||||||||||||
| 振蕩器啟動時間 | t_str | 3 ms Max. | 從VCC達到其額定的最小值,1.62 V隨時間測量 | |||||||||||||
| 頻率老化 | f_aging | 這包含在頻率容差規范 | +25°C, 10年 | |||||||||||||



電話:+86-0755-278383514
手機:138-2330-0879
QQ:632862232
地址:廣東深圳市寶安寶安大道東95號浙商銀行大廈1905