86-0755-27838351

頻率:100MHz
尺寸:2.5x2.0mm
DSC6332JI2AA-100.0000,2520mm,100MHz,Microchip振蕩器,美國進口晶振,Microchip晶振,型號:DSC63XX系列,編碼為:DSC6332JI2AA-100.0000,工作溫度范圍:-40℃至+85℃,頻率穩定性:±25ppm,頻率:100MHz,小體積晶振尺寸:2.5x2.0mm,四腳貼片晶振,超低功率MEMS振蕩器,有源晶振, 石英晶振,超小型,輕薄型晶振,應用程序:平板顯示器/監視器,多功能打印機,數字標牌,消費類電子產品等應用。
DSC63xx系列器件是行業中最小和功率最低的擴頻MEMS振蕩器??商峁┧姆N不同的包裝尺寸,操作低至3mA,最小的4針包裝是只有1.6毫米x1.2毫米的尺寸。該設備支持高達±2.5%或-3%的擴頻譜,可實現高達15 dB的電磁干擾(EMI)減少。由于行業標準的包和pin選項,客戶可以通過把新的DSC63xx在他們當前的板布局,而不需要重新設計。
DSC6332JI2AA-100.0000,2520mm,100MHz,Microchip振蕩器,產品特點:
•輸出頻率:1MHz至100MHz LVCMOS
•擴頻選項:中心排列:±0.25%,±0.5%,±1.0%,±1.5%, ±2.0%, ±2.5%
-向下價差:0.5%、1.0%、1.5%、2.0%,2.5%,3.0%
•超低功耗:3mA(有功),12μA(備用)
•寬電源電壓范圍:1.71V~3.63V VDD有源晶體
•超小型包裝尺寸:1.6x1.2毫米,2.0x1.6毫米,2.5x2.0毫米,3.2x2.5毫米
•工業溫度范圍:-40°C至85°C
•卓越的沖擊和振動抗擾性
•高可靠性,無鉛且符合RoHS
DSC6332JI2AA-100.0000,2520mm,100MHz,Microchip振蕩器,參數表
Parameters
Sym.
Min.
Typ.
Max.
Units
Conditions
Supply Voltage, Note 1
V DD
1.71
3.63
V
Power Supply Ramp
tPU
0.1
100
ms
Note 8
Active Supply Current
IDD
—
3.0
—
mA
F OUT = 27 MHz, V DD = 1.8V,
No Load
Standby Supply Current
Note 2
ISTBY
—
12
—
µA
V DD = 1.8/2.5V
80
V DD = 3.3V
Frequency Stability Note 3
Δf
—
—
±25
±50
ppm
All temp ranges
Aging
Δf
±5
ppm
1st year @25°C
—
—
±1
Per year after first year
Startup Time
tSU
—
—
1.3
ms
From 90% V DD to valid clock
output, T = 25°C
Input Logic Levels Note 4
VIH
0.7 x V DD
V
Input Logic High
VIL
0.3 x V DD
V
Input Logic Low
Output Disable Time
Note 5
tDA
—
—
200+Period
ns
—
Output Enable Time
Note 6
tEN
—
—
1
µs
—
OE/STDBY/SSEN Pull-up
Resistor Note 7
—
—
300
—
k?
If configured
Output Logic Levels
V OH
0.8 x V DD
V
Output Logic High, I = 3 mA,
Std. Drive
Output Logic High, I = 6 mA,
High Drive
VOL
0.2 x V DD
V
Output Logic Low, I = –3 mA,
Std. Drive
Output Logic Low, I = –6 mA,
High Drive
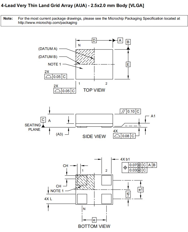
DSC6332JI2AA-100.0000,2520mm,100MHz,Microchip振蕩器,尺寸圖



電話:+86-0755-278383514
手機:138-2330-0879
QQ:632862232
地址:廣東深圳市寶安寶安大道東95號浙商銀行大廈1905