86-0755-27838351

頻率:0.500MHZ~160.000MHZ
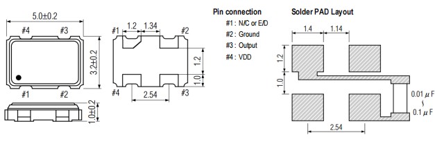
尺寸:5.0*3.2mm
SHINSUNG晶振,SXO-SS晶振,SXO-SS-33ST-30F3-20.000MHz晶振
貼片石英晶振,體積小,焊接可采用自動貼片系統,產品本身小型,表面貼片晶振,特別適用于有小型化要求的電子數碼產品市場領域,因產品小型,薄型優勢,耐環境特性,包括耐高溫晶振,耐沖擊性等,在移動通信振蕩器領域得到了廣泛的應用,晶振產品本身可發揮優良的電氣特性,滿足無鉛焊接的高溫回流溫度曲線要求.
SHINSUNG晶振-SHNSUNG Crystal成立于1999年,中文為新松晶振,在當年12月就開始生產OSC,VCXO,TCXO晶振,并于次年完成高頻100M壓控晶振的目標,是一家專業生產時鐘振蕩器,主要給用戶提供最新的石英晶振,石英晶體振蕩器,32.768K晶振,TCXO溫補晶振,VCXO壓控晶振,有源晶振,無源晶振,石英晶體諧振器,貼片晶振,工業設備晶振等頻率元件,數碼電子晶振廠家,后期逐漸往小型的Shinsung晶振方向發展。產品外觀具有小體積薄型晶振,耐高溫,產品廣泛應用于電子行業,包括電信,微處理器,汽車,儀器儀表和醫療應用。應用范圍廣的特點,在市場得到廣大群眾的信賴,所生產SHINSUNG晶振均采用優異環保材料,符合國際ROHS指令,減少廢物的產生和排放,有效的使用能源和各種自然資源。
公司主旨:以顧客為中心,基于價值的管理,人類和諧的價值,SHINSUNG在新的加工和測試結構設備上的投資確保公司將繼續提供卓越的設計,追求質量管理,并提供持續的新產品,為客戶提供高品質的產品和服務,以滿足客戶在當前和未來的需求。
| type | 5.0V | 3.3V | 2.5V | 1.8V | |
| frequency range | 0.50 ~ 160.0MHz | 0.50 ~ 120.0MHz | |||
| frequency stability | ± 20ppm ~ ± 100ppm ( overall ) | ||||
| supply voltage VDD | 5.0V ± 10% | 3.3V ± 10% | 2.5V ± 5% | 1.8V ± 5% | |
| input current(15pF load) | 1.0 ~ 20.0MHz | 10 mA max | 7 mA max | 7 mA max | 7 mA max |
| 20.1 ~ 40.0MHz | 30 mA max | 20 mA max | 15 mA max | 12 mA max | |
| 40.1 ~ 60.0MHz | 50 mA max | 30 mA max | 20 mA max | 15 mA max | |
| 60.1 ~ 95.0MHz | 60 mA max | 50 mA max | 30 mA max | 25 mA max | |
| operating temperature | STD. -10℃ ~ 70℃ / Option : -40℃ ~ 90℃ | ||||
| storage temperature | -55℃ ~ 125℃ | ||||
| aging | ±3.0ppm max at +25℃ ±3℃ for first year | ||||
| phase jitter 12kHz ~ 20MHz | < 1.0ps RMS | ||||
| output | load | 15pF max (HCMOS) | |||
| logic level | low 10% Vcc max / high 90% Vcc min | ||||
| symmetry | 55/45 @ 50% VDD | ||||
| rise / fall time | 10% VDD to 90% level 10 nS MAX / | ||||
| start up time | 10 mS MAX | ||||
| Tristate | enable : 0.7 VDD (min) / disable : 0.3 VDD (max) | ||||
SHINSUNG晶振,SXO-SS晶振,SXO-SS-33ST-30F3-20.000MHz晶振
熱影響
重復的溫度巨大變化可能會降低受損害的石英晶振產品特性,并導致塑料封裝里的線路擊穿.必須避免這種情況.
安裝方向
晶體振蕩器的不正確安裝會導致故障以及崩潰,因此安裝時,請檢查安裝方向是否正確.
通電
不建議從中間電位和/或極快速通電,否則會導致無法產生振蕩和/或非正常工作.
有源晶振的負載電容與阻抗
負載電容與阻抗有源晶振設置一個規定的負載阻抗值.當一個值除了規定的一個設置為負載阻抗輸出頻率和輸出電平不會滿足時,指定的值這可能會導致問題例如:失真的輸出波形.特別是設置電抗,根據規范的負載阻抗.輸出頻率和輸出電平,當測量輸出頻率或輸出水平,晶體振蕩器調整的輸入阻抗,測量儀器的負載阻抗晶體振蕩器.當輸入阻抗的測量儀器,不同的負載阻抗的晶體振蕩器,測量輸出頻率或輸出水平高,阻抗阻抗測量可以忽略.
抗沖擊
抗沖擊是指晶振產品可能會在某些條件下受到損壞.例如從桌上跌落,摔打,高空拋壓或在貼裝過程中受到沖擊.如果產品已受過沖擊請勿使用.因為無論何種石英晶振,其內部晶片都是貼片晶振制作而成的,高空跌落摔打都會給晶振照成不良影響.
耐焊性:
將晶振加熱包裝材料至+150℃以上會破壞產品特性或損害產品.如需在+150℃以上焊接石英晶振,建議使用有源SMD晶振產品.在下列回流條件下,對石英耐高溫晶振產品甚至晶振使用更高溫度,會破壞晶振特性.建議使用下列配置情況的回流條件.安裝這些貼片晶振之前,應檢查焊接溫度和時間.同時,在安裝條件更改的情況下,請再次進行檢查.如果需要焊接的晶振產品在下列配置條件下進行焊接,請聯系我們以獲取耐熱的相關信息.



電話:+86-0755-278383514
手機:138-2330-0879
QQ:632862232
地址:廣東深圳市寶安寶安大道東95號浙商銀行大廈1905