86-0755-27838351

頻率:27MHZ
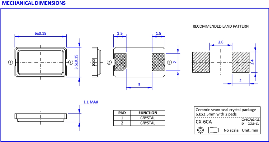
尺寸:6.0x3.5mm
石英晶體外觀本身使用金屬封裝,充分的密封性能,可確保其高可靠性,采用編帶包裝,外包裝采用朔膠盤,可在自動貼片機上對應自動貼裝等優勢.很適合用于微處理器,無線局域網、調制解調器,移動通信,便攜式設備等領域。6GWIFI應用晶振 NKG汽車級晶振 S6CA27.0000F12E25-EXT.
石英晶體外觀本身使用金屬封裝,充分的密封性能,可確保其高可靠性,采用編帶包裝,外包裝采用朔膠盤,可在自動貼片機上對應自動貼裝等優勢.很適合用于微處理器,無線局域網、調制解調器,移動通信,便攜式設備等領域。6GWIFI應用晶振 NKG汽車級晶振 S6CA27.0000F12E25-EXT.
6GWIFI應用晶振 NKG汽車級晶振 S6CA27.0000F12E25-EXT 參數表
| Parameter | Symbol | Specifications | Remarks | |||||||||
| Frequency range | FN | 27.0MHz |
Fundamental up to 54MHz 3rd overtone above 36MHz |
|||||||||
| Cut and operation mode | — | AT-Cut / FUND or 3rd OT | ||||||||||
| Frequency tolerance | Δf/f | ±10ppm, ±20ppm, ±30ppm, ±50ppm | Other options available | |||||||||
| Stability over operating temp. | TC | ±10ppm, ±25ppm, ±50ppm, ±100ppm |
Depending on operating temperature range, other options available |
|||||||||
| Operating temperature range | TOP |
– 20°C ~+70°C or –40°C ~+85°C up to –40°C ~ +125°C |
Options available | |||||||||
| Load capacitance | CL | 6 to 32pF or SERIES | Please specify load capacitance | |||||||||
| Equivalent series resistance | ESR |
100Ω MAX 60Ω ~ 50Ω MAX 50Ω ~ 40Ω MAX 40Ω ~ 30Ω MAX 30Ω ~ 20Ω MAX 100Ω ~ 80Ω MAX |
FUND mode FUND mode FUND mode FUND mode FUND mode 3rd OT mode |
7.5 ~ 8MHz 8 ~ 10MHz 10 ~ 14MHz 14 ~ 20MHz 20 ~ 54MHz 30 ~ 150MHz |
||||||||
| Drive level | DL | 100µW TYP, 300µW MAX | — | |||||||||
| Aging first year | Δf/y1 | ±5ppm | @+25°C | |||||||||
6GWIFI應用晶振 NKG汽車級晶振 S6CA27.0000F12E25-EXT 尺寸圖
貼片晶振產品特性:
小封裝尺寸6.0x3.5x1.0mm毫米,帶2個焊盤。
出色的耐熱和耐沖擊性。
高度可靠的接縫密封包裝和低老化。
更多相關香港NKG晶振型號,請咨詢我們!



電話:+86-0755-278383514
手機:138-2330-0879
QQ:632862232
地址:廣東深圳市寶安寶安大道東95號浙商銀行大廈1905